空气中非甲烷总烃及苯系物整体解决方案
发布时间:2022-11-22 15:33 | 点击次数:647
“双碳”战略
"Double carbon"
随着国家“双碳”战略的持续推进,环境监测部门对于环境空气和固定污染源的非甲烷总烃及苯系物的检测需求越来越多。同时相关标准也在不断更新之中,其中HJ 1261-2022《固定污染源废气 苯系物的测定 气袋采样/直接进样-气相色谱法》将于2023年1月实施。
空气中总烃、甲烷、非甲烷总烃测定目前采用HJ 38-2017 《固定污染源废气 总烃、甲烷和非甲烷总烃的测定 气相色谱法》和HJ 604-2017《环境空气 总烃、甲烷和非甲烷总烃的测定 直接进样-气相色谱法》两个方法实施。
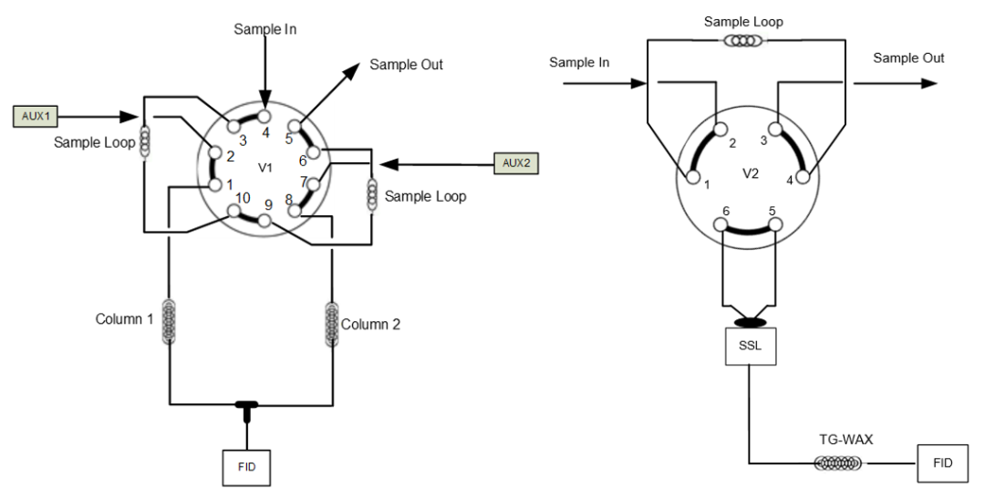
赛默飞z ui新的Trace1600系列色谱仪采用du特的模块化即时连接进样口、检测器,以其优*的灵活性和稳定性,将苯系物测定和非甲烷总烃检测整合到一台气相色谱仪上,大大地节约实验室运行成本、提高检测效率。配置如下图:

△点击查看大图
1
总烃、甲烷和非甲烷总烃测定
针对非甲烷总烃检测(NMHC),采用十通阀双定量环,平行双色谱柱汇合到单FID检测器方案,经济实用。配置变色龙软件,提供灵活的报告模板,可以通过编辑公式计算得到非甲烷总烃的质量浓度(以甲烷或以碳计,mg/m3)。z ui大程度的简化工作,方便用户日常分析操作。
根据环境保护标准《HJ 604-2017环境空气 总烃、甲烷和非甲烷总烃的测定 直接进样-气相色谱法》要求,由低浓度到高浓度依次通过定量环取1 mL气体样品注入气相色谱仪,分别测定总烃、甲烷。
# 色谱条件:
进样量:1mL
阀箱温度:80℃
柱温箱:起始温度60℃,保持11.5,速率:10℃/min,终温:120,保持2min。
色谱柱1:Porapak Q 1/8”×2m
色谱柱2:Glass Bead 1/8”×1m
检测器温度:250℃
1
高浓度NMHC的5个浓度点依次为50, 100, 200, 400, 800 μmol/mol。
高浓度非甲烷总烃标气色谱图如图1:

△图1:高浓度总烃及甲烷5个浓度点叠加谱图
(点击查看大图)
高浓度总烃校准曲线,线性相关系数R^2=0.9999
高浓度甲烷校准曲线,线性相关系数R^2=0.9999
2
低浓度NMHC的5个浓度点依次为1, 2, 4, 8, 16 μmol/mol。
低浓度非甲烷总烃标气色谱图如图2:

△图2:低浓度总烃及甲烷5个浓度点叠加谱图
(点击查看大图)
低浓度总烃校准曲线,线性相关系数R^2=0.9999
低浓度甲烷校准曲线,线性相关系数R^2=0.9999
从实验结果可以得出结论,单检测器非甲烷总烃检测方案具有良好的灵敏度和线性,适用浓度范围广,wan全可以满足固定污染源和环境空气非甲烷总烃检测需求。
2
空气中苯系物测定
根据HJ 1261-2022《固定污染源废气 苯系物的测定 气袋采样/直接进样-气相色谱法》,需要检测的苯系物包括:苯、甲ben、yi苯、对二甲ben、间二甲ben、异丙ben、邻二甲ben、苯yi烯八种物质。方法检出限为0.2 mg/m3~0.6 mg/m3,测定下限为0.8 mg/m3~2.4 mg/m3。
采用气袋直接进样即可满足检出限要求。配置用六通进样阀接分流/不分流进样口,接TG-WAX色谱柱,FID检出,浓度单位可以通过变色龙软件的定制化报告转换为mg/m3。
# 色谱条件:
进样量:1mL
进样口温度:200℃
分流比:2:1
色谱柱: TG-WAXMS GC Column 30m x 0.32mm x 1μm
柱流速:3mL/min
FID检测器温度:240℃
15 µmol/mol苯系物标准气体谱图如图3:

△图3:15 µmol/mol苯系物标准气体谱图:1-苯;2-甲ben;3-yi苯;4-对二甲ben;5-间二甲ben;6-异丙ben;7-邻二甲ben;8-苯yi烯(点击查看大图)
连续6次进样各组分相对标准偏差RSD在0.97%-2.09%之间。通过信噪比计算,苯的三倍噪音检出限为0.18 mg/m3。实验结果表明本方案可以满足固定污染源废气中苯系物的测定需求。
本文总结

赛默飞Trace1600气相色谱仪以其出色的灵活性和稳定性,可以在一台GC上同时搭载多个应用方法,并可以随时更换不同类型进样口、检测器,满足实验室多任务分析需求,为用户提高效率、节约成本,提供切实可行的方案。

